Triplex-koniske låsetandhjul 16B-3 ISO-rullekæde standard

Dette design anvender en konisk nav og tilhørende konisk boring, hvilket gør det muligt at montere tandhjulet sikkert på akslen ved hjælp af koniske låsebusninger uden at skabe mellemrum.
Model: type B 16B-3 konisk låsetandhjul
Materiale: C45, rustfrit stål, hærdet stål osv.
Overfladebehandling: Hærdede tænder, sort oxid, zinkbelagt, elektroforese osv.

Beskrivelse

Konisk låsebusk-tandhjulgiver en robust mekanisk interferenspasning mellem tandhjulets nav og aksel, hvilket sikrer en stærk og pålidelig forbindelse for jævn og effektiv kraftoverførsel. Dette design minimerer energitab og forbedrer systemets samlede effektivitet.

Nøglefunktioner

  • Mekanisk interferenspasning:Forbinder tandhjulshubben og akslen sikkert for overlegen pålidelighed og reduceret slip.
  • Effektiv kraftoverførsel:Jævn drift med reduceret friktion og støj takket være præcis tandformning.
  • Lang levetid:Holdbare materialer og design forlænger tandhjulets og kædens levetid, hvilket minimerer nedetid og vedligeholdelsesomkostninger.
  • Materialevalg:
    • C45-stål:Balance mellem styrke og økonomi til generelle anvendelser.
    • Rustfrit stål:Fremragende korrosionsbestandighed – ideel til barske miljøer.
    • Hærdet stål:Varmebehandlet for forbedret slidstyrke og holdbarhed.
  • Reduceret vedligeholdelse:Færre udskiftninger kræves, hvilket sænker de samlede driftsomkostninger.

Tekniske specifikationer

  • ISO-nr.:16B-3 (1″ x 17,02 mm)
  • Stigning:25,4 mm
  • Indvendig bredde:17,02 mm
  • Rulles diameter:15,88 mm
  • Tandbredde:79,6 mm
  • Ba:2,5 mm (radiusbredde)
  • Rx:26,0 mm (min. tandradius)

Fordele

  • Stærk og pålidelig forbindelse til højtydende systemer
  • Reduceret friktion og støj for jævnere drift
  • Forlænget levetid og reducerede vedligeholdelsesomkostninger
  • Alsidige materialemuligheder, der passer til forskellige miljøer

Vælg vores koniske låsebusk-tandhjul for overlegen holdbarhed, effektiv kraftoverførsel og lav vedligeholdelse i krævende applikationer.

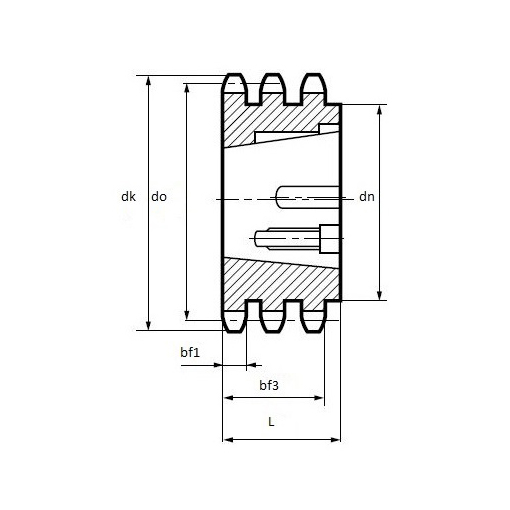
Tekniske parametre

triplex taper lock tandhjul 16B-3 teknisk tabel

triplex koniske låsetandhjul 16B-3 teknisk tabel